LB Series Single Girder Explosion Proof Overhead Crane

LB Explosion Proof Single Girder Overhead Crane
| Lifting Capacity: | 1t to 20t |
| Span: | 7.5m to 28.5m |
| Lifting Height: | 6m to 18m |
| Working Class: | A3, A4 |
| Ambient Temperature: | -20℃ to 60℃ |
Explosion-proof Single Girder Overhead Crane Introduction
LB series single girder explosion proof crane is a small and light overhead crane with explosion-proof, equipped with explosion-proof electric hoist, all electrical and electrical equipment are manufactured according to international standards and regulations.
The lifting capacity of explosion-proof single-girder bridge crane is 1-20 tons and the working class are A3 or A4. The specific parameters are shown in the table below:
Technical data of Explosion Proof 0verhead Crane
| Capacity | t | 1 | 2 | 3 | 5 | 10 | 16 | 20 |
| Span | m | 7.5~28.5 | ||||||
| Lifting height | m | 6~18 | ||||||
| Lifting speed | m/min | 0.8/8 | 0.8/8 | 0.8/8 | 0.8/8 | 0.7/78 | 0.6/6 | 0.42/4.2 |
| Trolley speed | m/min | 20/30 | 20/30 | 20/30 | 20/30 | 20/30 | 20/30 | 20/30 |
| Crane speed | m/min | 20 | 20 | 20 | 20 | 20 | 20 | 20 |
| Work duty | A3~A4 | |||||||
| Explosion-proof Grade | ExdⅡBT4、ExdⅡCT4 | |||||||
| Track type | P24 | P24 | P24 | P24 | P24 P38 | P24 P38 | P24 P38 | |
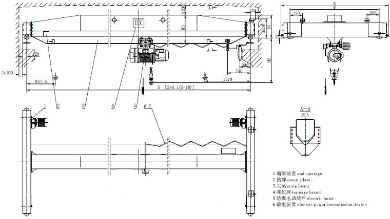
Components of Explosion-proof Single Girder Overhead Crane
Single girder explosion-proof overhead crane is mainly composed of crane traveling mechanism, electrical system, bridge, explosion-proof electric hoist and other components.

Explosion proof Single girder overhead crane diagram
Application of Explosion-proof Single Girder Overhead Crane
■ Explosion proof cranes are suitable for maintenance and loading and unloading work in machinery workshops, warehouses, stockyards, and hydropower stations of medium and light work systems.
■ The explosion-proof grade of single girder explosion proof overhead cranes is EXD II BT4 and EXD II CT4 respectively.
■ Single-girder explosion-proof bridge crane is suitable for internal factories with low initiation capacity of IIB and IIC, and has flammable mixed environment of T1-T4 ignition temperature class.
■ Single beam explosion-proof bridge crane Zoning: Zone 1 & Zone 2 Hazardous Areas.
Note: When working indoors at 40°C, the relative humidity should not exceed 50%, and when working outdoors at 25°C, the relative humidity is allowed to be as high as 100% for a short time.
Advantages of Explosion-proof Single Girder Overhead Crane
■ Reasonable design and strong explosion-proof capability.
■ The company has good structure and good rigidity.
■ Installation of adjusting speed converter, stable operation
■ High safety and reliability
Features of Explosion-proof Single Girder Overhead Crane
Mechanical system
■ High quality materials: Q235B or Q345B
■ Superior steel plates welded rectangular tube legs
■ Trinity-drive system or traditional motor drive reducer
■ Smoothly moving, effectively braking, long service life
Electrical system
■ Independent and simultaneous control of all electric hoists and cranes.
■ The power supply of electric hoist consists of flat cables, special cables, galvanized slippery course and small cable pulley, etc.
■ Smoothly moving, beautiful appearance
Safety measures
■ Overloading protection
■ Height limit switches
■ Speed limit switches: fast to slow and stop
■ Buffer devices to hoist trolley and crane bridge
■ Lockable Mains Isolator at end of runway
■ Warning indicator: anti-collusion device and flashing lights and warning sound.
■ Motors with temperature control devices, with the insulation class F.
■ Self-adjusting, twin, disc brake on hoist motion, asbestos-free brake
■ Anti-Derailment Device on Crane and Crab Unit , Non-Sparking Type
■ Crane, Crab Wheels and crane hook made from Anti-Sparking Material
What should you pay attention to when purchasing explosion proof crane?
Selection of explosion proof cranes
Explosion-proof bridge cranes are hook bridge cranes that are used in explosive gas or explosive dust environments and have explosion-proof requirements.
When purchasing and selecting a model, choose a suitable bridge crane according to the working conditions.
Explosion-proof bridge cranes generally work indoors, the working environment temperature is: -20°C~40°C, and the working environment air pressure is: 0.08 MPa-0.11 MPa.
The use environment should be well ventilated.
Applicable gas environment explosion-proof hazardous area is zone 1 or zone 2.
Applicable dust environment explosion-proof hazardous areas are Zone 21 and Zone 22.
Please consult us if the above environmental conditions are exceeded.
Parts of explosion proof cranes
The lifting mechanism should have two sets of supporting brakes, and the brakes should use explosion-proof brakes with corresponding explosion-proof grades.
If the parts and related equipment of the crane have explosion-proof requirements, the installation shall not be lower than the explosion-proof level and temperature group of the whole machine.
Note: If the wire rope release device is not protected by anti-static material, it may not be protected.
The buffer should use the specified polyurethane buffer or the specified rubber buffer, and its surface resistance should not be greater than 10~9Ω.
Note: If part of the buffer is missing or damaged, it will not be able to play a buffering role.
Electrical equipment of explosion proof cranes
The power feeding of the large and small trolleys of explosion-proof bridge cranes shall be conducted with flexible cables. The connection between electrical equipment needs to use rubber-sheathed copper core multi-strand cables. The power supply cable of the explosion-proof bridge crane shall be a cable with a grounding core wire.
The wiring adopts copper-core multi-strand rubber-sheathed cables, and joints are not allowed in the middle, and explosion-proof junction boxes can be installed if necessary.
Its power box should adopt an explosion-proof power box not lower than the explosion-proof level and temperature group of the whole machine.
Explosion-proof Single Girder Overhead Crane

Explosion Proof Single Girder Overhead Crane
- The last one:LDP Series Single Girder Low Headroom Overhead Crane
- The next one::HD Series Electric Hoist European Crane
info@dejunindustry.com
+86 13721448067



